377㎡立式葉濾機
- 簡介: 立式葉濾機是一種先進的固液分離設備,廣泛用于化工及氧化鋁行業(yè),它沒有運動部件,采用浸入式過濾。與臥式壓濾機相比它具有產能大、自動化程度高、適應性廣、操作簡單、工人勞動強度小、占地面積小等特點。尤…
產品詳細
立式葉濾機是一種先進的固液分離設備,廣泛用于化工及氧化鋁行業(yè),它沒有運動部件,采用浸入式過濾。與臥式壓濾機相比它具有產能大、自動化程度高、適應性廣、操作簡單、工人勞動強度小、占地面積小等特點。尤其適于形成濾餅時間長的情況使用。
本機主要用于懸浮液的濃縮,如果對本機少作改動和拓展,設備還將具有洗滌和干燥的功能。
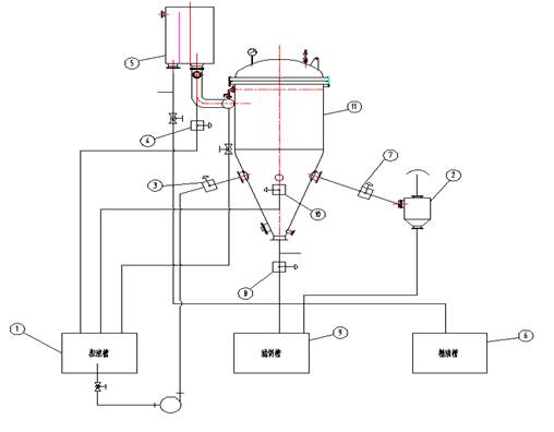
結構特性及系統(tǒng)工作原理
本葉濾機主要由立式圓柱形(下部為圓錐形)容器、高位槽、減壓器、有關閥門及自動控制系統(tǒng)組成。在圓筒型容器內,排列著許多濾葉。濾葉主要由濾袋、骨架和聚液管組成。結構簡單而緊湊,有效地利用了容器內的空間,并保證過濾和卸餅正常而有效地進行。當上述容器中充入一定量待過濾的懸浮液時,濾葉則全部浸入懸浮液中,通過繼續(xù)供料,懸浮液通過濾袋被過濾,濾餅在濾袋外面形成;濾液進入高位槽并經溢流排出。當濾餅達到一定厚度時,打開放氣閥卸壓,高位槽內濾液返流卸掉濾餅,而后,濾餅沉積到錐形筒底排出。
具體操作過程如下:

過濾期間,只開啟進料閥③,濾餅在濾袋外面形成,濾液通過濾葉匯集到外部總管,然后進入位于過濾機上方的帶溢流裝置的蓄液槽⑤。
當濾餅的厚度達到要求時,關閉進料閥③,打開卸壓閥⑦,過濾機內部壓力降低,蓄液槽⑤中的濾液返流通過濾袋,卸掉濾餅,濾餅脫落于懸浮液中,向筒體的錐底部沉淀。打開卸泥閥⑧,排出循環(huán)產生的濾餅。
卸泥過程結束后,關閉所有閥門,僅開啟進料閥③,過濾重新開始。
系統(tǒng)運行一段時間后,應進行洗滌操作,其目的是回收濾餅中的母液和濾布再生,一般用堿煮。

